В большой ЛВС всегда найдется оборудование, которое нужно выключать или перезагружать через электропитание. В нашем случае это оказались информационные диодные бегущие строки на стенах здания. Такая инфо-строка может иногда зависнуть, и для восстановления работы ее нужно перезагрузить по электропитанию. Процесс не был автоматизирован. Нужно было брать лестницу, идти в корпус с бегущей строкой, находить точку подключения электропитания и перезагружать.
Для решения представленной задачи прорабатывались разные варианты. Устройства управления электрическими розетками через LAN стоят очень дорого. Например, NetPing.
Альтернативный вариант – использовать умную wifi-розетку с АлиЭкспресс. Или Ethernet relay с того же АлиЭкспресс. Эти вариант средней надежности.
В итоге решено было испытать отключение розетки через реле, управляемое от порта POE-коммутатора. Вкладывать деньги бюджетной организации в неизвестно что, было невозможно и с выбором метода и комплектующих помогла определиться вот эта статья. На помощь пришел роутер Mikrotik. Это универсальное устройство способно на очень многое.
Принцип действия следующий. Розетка подключается к реле с управлением 24В. Далее по локальной сети через PoE-интерфейс роутера Mikrotik происходит управление реле – включение или отключение розетки. Рассмотрим как это реализовано в представляемом варианте.
Реле.
Выбрано реле на дин-рейку с управляющим напряжением 24В, потому что в микротиках стандартный блок питания на 24В. Какое напряжение на БП такое будет и на выходе PoE-порта.
Реле можно купить на АлиЭкспресс или Wildberries. Выбирать нужно внимательно, потому что есть еще реле с управлением 5В и 12В. Силовая часть рассчитана на 220В. Ток нагрузки каждый выбирает для своих целей. В данном случае реле может коммутировать до 8А.
На корпусе есть маркировка. Похоже, что это реле RY115F-2Z вставленное в держатель (сокет) для DIN-рейки. Примерный ток катушки 16мА.
Держатель (сокет) 14-FF-2Z-C3. В держатель еще подключен светодиодный индикатор.
Розетка электропитания.
Использована трех-контактная розетка на DIN-рейку. К ней легко подсоединить провода без необходимости вскрытия корпуса.
Ящик.
Электрическое оборудование размещено в соответствующем ящике для удобства подключения и использования.
Название – щиток распределительный для автоматов КМПн 2/4 модуля.
Роутер MikroTik.
В роутере обязательно должен быть хотя бы один Passive POE-out порт. Такие порты обычно отмечены желтым цветом. В данном случае тестировался роутер RB951Ui-2HnD.
В случае авто детекции сопротивление устройства подключенного к порту должно начинаться от 3кОм. help.mikrotik
В данном случае сопротивление катушки 1,5кОм + сопротивление диодного индикатора немного не дотягивают до порога. По этому на PoE-порте нужно активировать принудительное включение (Forced on).
Максимальный выходной ток порта равен 500мА (RB9521Ui-2HnD). Катушка реле потребляет гораздо меньше. Passive PoE не выполняет согласования с нагрузкой и просто отдает требуемый ток.
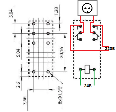
Подключение.
Розетка на DIN-рейке соединяется с контактами модуля реле 11 и 21.
Входное напряжение от электросети подается на контакты 14 и 24.
Управляющее напряжение 24В подается на контакты A1 и A2
При таком подключении контакты реле разомкнуты в выключенном состоянии. Если подать питание на управляющие контакты, силовая часть замкнется.
Сборка.
Крепим детали в ящик на встроенную DIN-рейку. Соединяем контакты проводами.
Собранная конструкция выглядит так.
Силовая часть подключена внутренними жилами от провода ВВГ3х1,5мм2. Ввод от разрезанного пополам кабеля питания компьютера с вилкой для розетки 220В. Проводник заземления подключен напрямую к третьему контакту розетки.
Управляющее напряжение подается по витой паре cat5e. Использованы синий/сине-белый (DC+) и коричневый/коричнево-белый (DC-) проводники. Подключение по стандарту 802.3af тип Б. Второй конец витой пары обжат коннектором 8P8C (RJ45) и подключен в 5-ый порт роутера.
Для управления нагрузкой через реле нужно войти в меню роутера и выбрать порт с PoE.
Interfaces >> ether5 >> PoE.
Изменяем настройку PoE Out.
Включение – forced on.
Выключение – off.
Через командную строку.
Включение.
| 1
| /interface ethernet set [ find default—name=ether5 ] poe—out=forced—on |
Выключение.
| 1
| /interface ethernet set [ find default—name=ether5 ] poe—out=off |
При тестировании первого включения был выбран лежавший рядом коммутатор.

Включение и выключение происходит стабильно.
Собранный модуль был установлен в необходимое место для дистанционного управления нагрузкой.
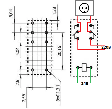
Модернизация.
В следующей версии немного изменилось подключение силовых контактов реле.
В серверной требовалось иногда перезагружать по питанию некоторое оборудование. Чтоб не держать в рабочем состоянии PoE порт роутера RB3011UiAS-RM, а только иногда подавать на него питание для перезагрузки, подключение выполнено по схеме ниже.

Розетка сразу включена и работает через реле. Напряжение управления 24В не подается. При включении реле через меню роутера (forced on), розетка отключится. Инверсная схема только для перезагрузок.

Модуль дистанционного управления нагрузкой показал свою надежную работу. В следующих версиях уже в нем появились стандартизированные разъемы для упрощения и быстроты подключения.
Для модуля можно настроить включение/выключение по расписанию, скрипт срабатывания по событию и разные другие варианты доступные в RouterOS.